Multi-Instrument: DDC (Derived Data Curve)

DDC

Specifications

  1. Derive a dedicated data curve from a frame of sampled data and display it in a standalone graph window. Maximum 8 DDC windows can be opened.
  2. The DDC window is similar to the X-Y Plot in Device Test Plan except that its context menu contains a [DDC Processing] menu item which is used to select a predefined DDC and configure its relevant parameters. The supported DDCs are:
    1. Energy Time Curve (Log-Squared)
    2. Energy Time Curve (Envelope)
    3. Energy Time Curve (dBSPL)
    4. Impulse Response Schroeder Integration Curve
    5. Step Response Curve (via Impulse Response Integration)
    6. Frequency Time Curve (Demodulated)
    7. X-Y Plot
    8. Shock Response Spectrum
    9. Frequency Time Curve (Timed)
    10. RPM Time Curve
  3. Supports Multilingual User Interface under Windows 2000, XP, Vista, 7, 8, 8.1, 10, 11 and above. Currently supported languages are English, French, German, Italian, Portuguese, Spanish, Russian, Simplified Chinese, Traditional Chinese, Japanese and Korean.

Examples

Multi-Instrument-DDC-Energy-Time-Curve-Log-Squared
Energy Time Curve (Log-Squared) of an Impulse Response
Multi-Instrument-DDC-Energy-Time-Curve-Envelope
Energy Time Curve (Envelope) of an Impulse Response
Multi-Instrument-DDC-Energy-Time-Curve-dBSPL
Energy Time Curve (dBSPL) of an Impulse Response
Multi-Instrument-DDC-Impulse-Response-Schroeder-Integration-Curve
Impulse Response Schroeder Integration Curve
Multi-Instrument-DDC-Step-Response-Curve-via-Impulse-Response-Integration
Step Response Curve Integrated from an Impulse Response
Multi-Instrument-DDC-Frequency-Time-Curve
Frequency Time Curve (demodulated) of a Linear Frequency Sweep of a Sine Wave
Multi-Instrument-DDC-Shock Response Spectrum
Shock Response Spectrum of a Half Sine Pulse
Multi-Instrument-DDC-Frequency-Time-Curve-Timed
Frequency Time Curve (timed) of a Linear Frequency Sweep of a Square Wave
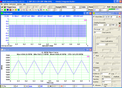
Multi-Instrument-DDC-RPM-Time-Curve
RPM Time Curve of a rotational speed with a reciprocating deviation.
Multi-Instrument-DDC-XYPlot-Sound-Level-vs-RPM
X-Y Plot: Sound Level vs Rotational Speed (Run Up Test)
Multi-Instrument-DDC-XYPlot-Frequency-Response-Linear-Sweep
X-Y Plot: Frequency Response Measured by Tracking a Linear Frequency Sweep