Multi-Instrument: DDP (Derived Data Point) Viewer

DDP Viewer

Specifications

  1. Display the value of a Derived Data Point (DDP) or User Defined Data Point (UDDP) in a standalone window. Maximum 32 windows can be opened.
  2. Allow High-High, High, Low, Low-Low alarming. Alarm sounds can be configured. Alarm acknowledgement is supported.
  3. Displayed precision can be specified.
  4. Allow the user to define a UDDP using mathematical expression. Various math functions are supported.
  5. Support inter-frame processing including linear and exponential averaging.
  6. Support DDP Array Viewer which can be used to generate the following reports:
    1. Harmonic Frequencies, RMS, Phase
    2. Octave Bands, RMS
    3. Peak Frequencies, RMS, Phases
    4. Frequency Bands, RMS
    5. Reverberation / Speech Intelligibility (1/1 Octave)
    6. Reverberation / Speech Intelligibility (1/3 Octave)
  7. Supports Multilingual User Interface under Windows 2000, XP, Vista, 7, 8, 8.1, 10, 11 and above. Currently supported languages are English, French, German, Italian, Portuguese, Spanish, Russian, Simplified Chinese, Traditional Chinese, Japanese and Korean.

Examples

Multi-Instrument-DDP-Array-Viewer-Harmonics
Report of Harmonic Frequencies, RMS, Phase
Multi-Instrument-DDP-Array-Viewer-Octave3
Report of Octave Bands, RMS
Multi-Instrument-DDP-Array-Viewer-Octave1-Reverberation
Report of Reverberation / Speech Intelligibility (1/1 Octave) based on Impulse Response
Multi-Instrument-DDP-Array-Viewer-Octave3-Reverberation
Report of Reverberation / Speech Intelligibility (1/3 Octave) based on Impulse Response
Multi-Instrument-DDP-Viewer-Frequency-Response-Limits
Frequency Response Test with Pass / Fail Check on Spectrum
Multi-Instrument-DDP-Viewer-Half-Sine-Limits
Half Sine Shock Test with Pass / Fail Check on Waveform
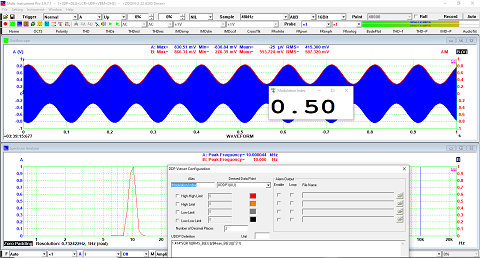
Multi-Instrument-DDP-Viewer-UDDP-Modulation-Index
Direct Display of Amplitude Modulation Index using User Defined Data Point
Multi-Instrument-DDP-Viewer-UDDP-DTMF-Decoding
Direct Display of Decoded DTMF Character using User Defined Data Point